LA-250 Penn Union Aluminum Dual Rated Lug - One Hole Tongue
LA-250 Penn Union Aluminum Dual Rated Lug - One Hole Tongue is backordered and will ship as soon as it is back in stock.
🚚 We Ship Worldwide! Get your order delivered anywhere.
Delivery And Shipping
Delivery And Shipping
Both Standard and Express shipping options are available at checkout.
Tariffs And Fees
Tariffs And Fees
Being a Canadian company, our U.S. shipments are subject to tariffs. Under DDP (Delivered Duty Paid), all applicable tariffs and fees are calculated and paid upfront at checkout.
Subscribe to our newsletter
Sign up for exclusive offers.
Industrial Automation Parts is only an authorized distributor for DeLock and is not authorized for any other manufacturers. Manufacturer's warranty and support do not apply. Our IAP warranty of three months is applicable.
Country Of Origin:
Product Information
Sold By Unit
LA250 Aluminum Dual Rated Lug for One Conductor - One Hole Tongue 6 Str. to 250 kcmil AL & CU
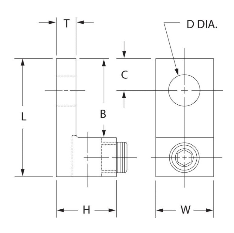
PRODUCT DIMENSIONS
| L (in.) | 2.00 |
| W (in.) | 1.00 |
| H (in.) | 1.13 |
| T (in.) | 0.25 |
| B (in.) | 1.00 |
| C (in.) | 0.47 |
| D Dia. (in.) | 0.33 |
| Mounting Bolt Size | 5/16" |
| Hex Size | 5/16" |
Payment & Security
Payment methods
Your payment information is processed securely. We do not store credit card details nor have access to your credit card information.
New Delock Partnership
Save up to 60%




